Operating principle
steam injectors

the operating principle of steam injectors

A steam injector can "Heat and Mix" or it can be used to cool superheated steam.
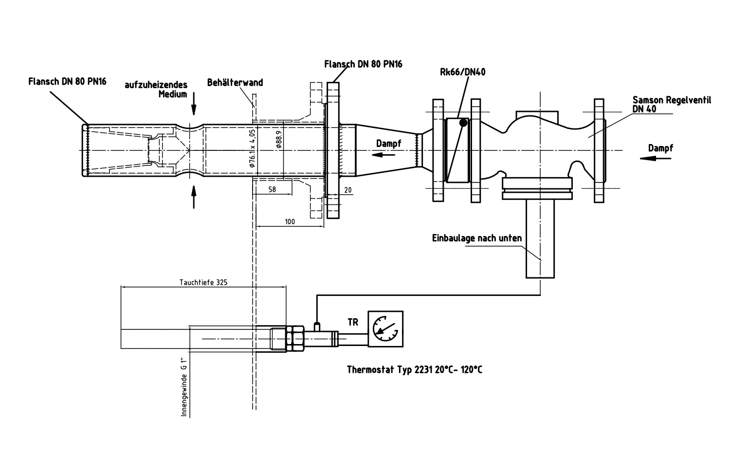
Schematic steaminjector
  • 1
  • 2
  • 3
  • 4
  • 5

Heating and mixing

The steam injector has three connections: one for supply of the medium to be heated, one for the supply of steam and one discharge opening. The steam injector contains a venturi cone with an annular access opening for the steam. The steam flows into the cone-shaped area through the annular opening in the venturi and forms a 'jacket' around the liquid. The steam immediately condenses in the venturi, preventing air bubbles and water hammer. The medium is intensively mixed and heated by the steam in the venturi.

The ratio of steam to heated medium can be regulated infinitely and at any time from 0 and 100%. The optimum flow rate of the medium is 0.8 to 3.0 m/sec. The flow rate is limited through installation of a pressure regulator.

Re-cooling

The steam injector can also be used for cooling superheated steam. The steam flows through the venturi, and cold water is fed through the annular gap. The cold water supply is set via a
temperature-dependent regulator to achieve the desired
final temperature.

Selection of the correct
model

  1. To determine the correct model, the following information is required:
  • available steam pressure, in bar(g)
  • available steam capacity in kg/h
  • initial temperature of the medium to be heated
  • desired final temperature of the medium to be heated
  • pressure of the medium to be heated, in bar(g)
  • desired heating time in minutes
  • nominal supply pipe diameter of medium to be heated, in mm (DN)
  • throughput capacity, in litres/hour, of the medium to be heated (for inline or recirculating installation)
  • nominal supply pipe diameter of steam feed, in mm (DN)
  • capacity of tank containing medium to be heated (for tank installation)
  1. Please email or call us to provide the information listed above. You will then receive our proposal with the correct steam injector(s) in short order.

Material selection

All steam injectors are made entirely of AISI316 Ti or AISI321 stainless steel. Also available in special materials such as Hastelloy, Monel, PTFE or with a special customer-specified coating on request.

Ordering example

One Steam injector for DN 65 water connection and DN 25 steam connection with loose flange connection, nominal pressure PN16, injector material 1.4541 stainless steel, connecting flange material C22.8 in accordance with DIN standard:

Type RLF 65/25, PN 16/16                       
Order number = D-RLF-6525-16-41-22

D         = type of connections/flanges, in accordance with DIN or ASA

RLF      = type of injector, RLF = version with loose, rotatable flanges

6525    = nominal flow = DN65 water and DN25 steam

16        = nominal pressure class for injector and connection flanges = PN16 or PN25, PN40

41        = injector material = 1.4541 or 1.4571 stainless steel

22        = connecting flange material = C 22.8 or 1.4571

Contact us

Netherlands

This email address is being protected from spambots. You need JavaScript enabled to view it.

France

This email address is being protected from spambots. You need JavaScript enabled to view it.

United Kingdom

This email address is being protected from spambots. You need JavaScript enabled to view it.

Rest of Europe

This email address is being protected from spambots. You need JavaScript enabled to view it.

Address

Samuel de Marezhof 18
NL-3953 CH MAARSBERGEN
Netherlands

BTW nr.: NL867166332B01
KVK nr.: 95524754

Tel: +31(0) 343785630
Partner: www.matec.nl